掃一掃,添加微信
獲取更多報價方案

時間:2020-12-13 人氣: 來源:鍋爐設備制造公司
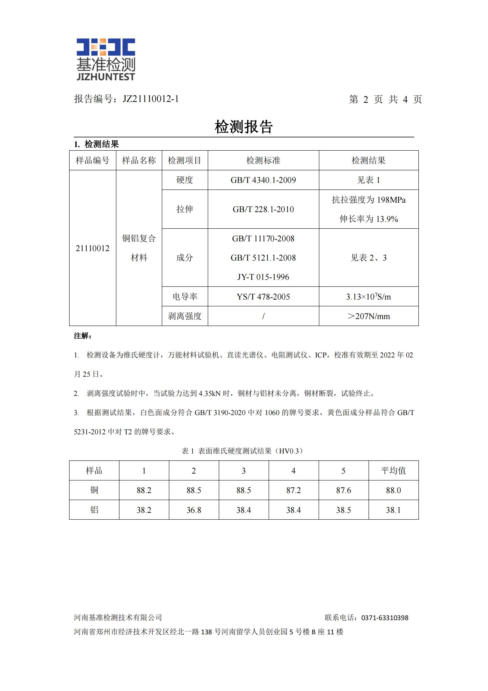
證書編號:JZ21110012-1
樣品名稱:銅鋁復合材料
檢測項目:硬度、拉伸、成分、電導率、剝離強度
參考標準:GB/T 4340.1-2009 、 GB/T 228.1-2010 、 GB/T 11170-2008 、 YS/T 478-2005、GB/T 3190-2020、GB/T 5231-2012、GB/T 5121.1-2008、JY-T 015-1996
委托單位:河南銅創有色金屬科技有限公司
單位地址:河南省鄭州市鞏義市小關鎮口頭村di一組
1、檢測設備為維氏硬度計,萬能材料試驗機、直讀光譜儀、電阻測試儀、ICP,校準有效期至 2022 年 02 月 25 日。
2、剝離強度試驗時中,當試驗力達到 4.35kN 時,銅材與鋁材未分離,銅材斷裂,試驗終止。
3、根據測試結果,白色面成分符合 GB/T 3190-2020 中對 1060 的牌號要求,黃色面成分樣品符合 GB/T 5231-2012 中對 T2 的牌號要求。




